• PRODUCTOS

TG-UU
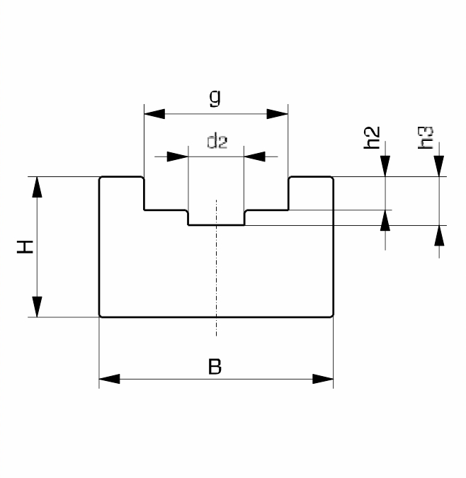
El riel guía, también llamado guía de cadena, es un riel guía estático que se utiliza para sostener y guiar la cadena, reducir la fricción de la cadena, reducir el ruido y mejorar la vida útil de la cadena. Se utiliza en casi todas las cadenas de transmisión de la industria, dispositivos de transmisión por correa o cadena o transmisiones de productos.

Admite personalización de productos no estándar

Obtenga cotizaciones en vivo

TG-UU.png